Характеристики
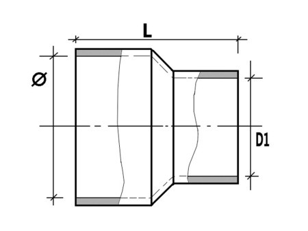
Диаметр труб D, мм
—
225
Давление, МПа
—
1.6
SDR
—
11
Диаметр труб d, мм
—
160
Плотность материала
—
100
В корзину
Купить в 1 клик
Самовывоз сегодня - бесплатно
Условия доставки
Условия доставки
Производитель имеет право без предварительного уведомления вносить изменения в изделие, которые не ухудшают его технические характеристики, а являются результатом работ по усовершенствованию его конструкции или технологии производства.
Переходы литые удлиненные PN16 SDR11 PE100 предназначены для ремонта и соединения труб ПНД с помощью стыковой сварки или с применением электросварных фитингов. Имеют патрубки обоих диаметров увеличенной длины, для более удобного монтажа.
Применение:
Применяются при необходимости создать переход диаметра трубопровода в меньшую или большую сторону. Использование возможно как для газо-, так и для водоснабжения.
Отличительные особенности и преимущества:
- Материал переходов: полиэтилен высокой плотности 100 кг/м3.
- Максимальное давление 1,6 МПа.
